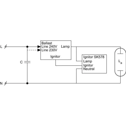
Philips BSN 400 K407-ITS 230/240V 50Hz BC3-166
Need help?
Contact our light specialists for free advice.- Free shipping above €121 incl. TaxFree shipping above €100 excl. Tax
- Business customer? Purchase on account
- Easy returns within 14 days
Specifications
Clear
General
|
i
The recommended quantity refers to the number of products pre-packaged by the manufacturer. When you buy this quantity, we deliver the products in the original package from the manufacturer.
|
Full box quantity | 2 |
|---|
General Information
| SKU | 180341 | |
|---|---|---|
| EAN | 8711500881571 | |
| Brand | Philips | |
| Manufacturer Name | BSN 400 K407-A2-ITS 230/240V 50Hz BC3 | |
|
i
Our all-in warranty is fully included in the product price and covers both hidden defects and technical defects of the product that occurred before delivery. The warranty period differs per product and ranges from 1 year to a maximum of 7 years.
|
Any Lamp all-in warranty | 1 Year |
Technical Information
|
i
The technology indicates the operating base of a light source. The most well-known and energy-efficient example is LED. Other techniques include Halogen, gas discharge, TL (fluorescent) and the light bulb.
|
Technology | Accessory |
|---|---|---|
| Suitable for bulb type | CDM, CDO, HPI, MH, SON | |
| Ballast for bulb type | CDM, CDO, HPI, MH, SON | |
|
i
When you dim lights, the full power does not have to be used. You therefore save extra on energy costs. Dimmable lamps can also be used to create an extra cosy atmosphere. Keep in mind that you need a LED dimmer to dim LED lights.
|
Dimmable | Not Dimmable |
| Amount of bulbs required | 1 | |
| Type of sensor | No Sensor | |
|
i
This filter allows you to refine your search by selecting specific types of light sources. Choose from options such as LED bulbs, LED tubes, or LED spots to find the perfect lighting solution for your needs.
|
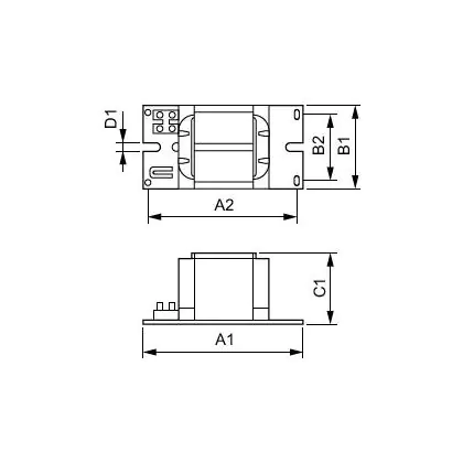
Product Type Category | Accessory - HID Ballast |
Gear Information
| EOC8 | 88704400 | |
|---|---|---|
| Series | BSN 400 |